Cuáles son las partes de un tsuru

El Nissan Tsuru es un automóvil de fabricación japonesa que ha sido muy popular en América Latina. Muchos conductores han elegido este vehículo por su durabilidad, economía y facilidad de mantenimiento. En este artículo, exploraremos las diferentes partes que componen un Tsuru.
Motor
El motor es el corazón del automóvil y es responsable de convertir la energía en movimiento. El Tsuru tiene un motor de cuatro cilindros en línea con una capacidad de 1.6 litros y una potencia de 105 caballos de fuerza. Este motor es conocido por su eficiencia y durabilidad.
También cuenta con un sistema de refrigeración que evita que el motor se sobrecaliente, así como un sistema de escape que ayuda a reducir las emisiones contaminantes.
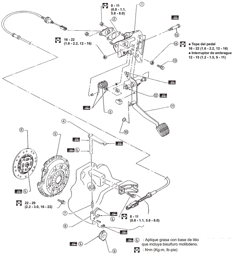
Transmisión
La transmisión es la parte responsable de transmitir la energía del motor a las ruedas. El Tsuru viene con una transmisión manual de 5 velocidades, que permite al conductor ajustar la velocidad de acuerdo a sus necesidades.
Además, cuenta con un embrague que permite cambiar de marcha suavemente y sin problemas.
Suspensión
La suspensión es la parte que absorbe los impactos del camino y brinda una conducción más suave y cómoda. El Tsuru cuenta con una suspensión delantera independiente y una suspensión trasera de eje rígido.
Esto significa que el automóvil puede enfrentar diferentes tipos de terreno sin comprometer la estabilidad o el confort del conductor y los pasajeros.
Frenos
Los frenos son un componente esencial de cualquier automóvil y son responsables de detener el vehículo cuando es necesario. El Tsuru cuenta con frenos de disco en las ruedas delanteras y frenos de tambor en las ruedas traseras.
Esto proporciona una frenada segura y efectiva, incluso en condiciones de lluvia o en carreteras resbaladizas.
Carrocería
La carrocería es la parte externa del automóvil y es responsable de proteger a los ocupantes en caso de accidente. El Tsuru cuenta con una carrocería resistente y duradera que ha sido diseñada para proporcionar protección en caso de colisión.
Además, la carrocería tiene un diseño aerodinámico que ayuda a reducir la resistencia del aire y mejorar la eficiencia del combustible.
Interior
El interior del Tsuru es cómodo y espacioso, con suficiente espacio para cinco pasajeros. Los asientos están diseñados para brindar comodidad y soporte, incluso en viajes largos.
También cuenta con un sistema de audio que permite al conductor y a los pasajeros disfrutar de su música favorita mientras viajan.
Neumáticos
Los neumáticos son la única parte del automóvil que está en contacto con la carretera y son responsables de proporcionar tracción y estabilidad. El Tsuru cuenta con neumáticos de alta calidad que están diseñados para proporcionar una conducción suave y segura.
Además, los neumáticos tienen un diseño que ayuda a reducir el ruido de la carretera y mejorar la eficiencia del combustible.
Sistema eléctrico
El sistema eléctrico es la parte responsable de proporcionar energía a diferentes componentes del automóvil, como las luces, el sistema de audio y el arranque. El Tsuru cuenta con un sistema eléctrico confiable y duradero que ha sido diseñado para funcionar sin problemas durante muchos años.
Además, cuenta con un sistema de carga que permite cargar la batería mientras se conduce, lo que ayuda a prolongar la vida útil de la batería.
Conclusión
El Nissan Tsuru es un automóvil confiable y duradero que ha sido diseñado para proporcionar una conducción suave y segura. Con un motor eficiente, una suspensión cómoda, frenos efectivos y una carrocería resistente, el Tsuru es una excelente opción para aquellos que buscan un automóvil económico y fácil de mantener.
Preguntas frecuentes
¿El Tsuru tiene un buen rendimiento de combustible?
Sí, el Tsuru es conocido por su excelente rendimiento de combustible, lo que lo convierte en una opción económica para aquellos que desean ahorrar dinero en gasolina.
¿Es fácil encontrar piezas de repuesto para el Tsuru?
Sí, dado que el Tsuru es un automóvil popular en América Latina, es relativamente fácil encontrar piezas de repuesto en la mayoría de las tiendas de autopartes.
¿El Tsuru es un automóvil seguro?
Sí, el Tsuru cuenta con una carrocería resistente y ha sido diseñado para proporcionar protección en caso de colisión. Además, cuenta con frenos efectivos y un sistema de suspensión que ayuda a mejorar la estabilidad y el control.
¿El Tsuru es fácil de conducir?
Sí, el Tsuru es fácil de conducir y cuenta con una transmisión manual suave y un embrague fácil de usar.
¿El Tsuru es un automóvil cómodo?
Sí, el Tsuru cuenta con un interior espacioso y cómodo que ha sido diseñado para brindar comodidad y soporte, incluso en viajes largos.
Deja una respuesta